Je voulais dir que MSUNP est au top avec batterie Zendure

Plus d'informations
06 Jui 2025 09:02 #31 par fugazy
Hello,

Merci Power17 pour ton aide.
J'ai résolu mon problème d'Hyper qui ne voulait pas se charger... je ne sais pourquoi, elle avait l'air d'être dans un mode "rien à cirer" ... un restart et elle charge/décharge.. ça c'est fait.
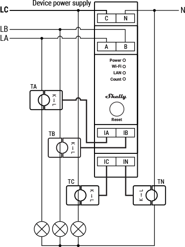
Ce matin, j'ai voulu brancher les 3 pinces de manière identique à ta conf. Je précise (pour syl2222fr) que j'ai les mêmes options que toi sous Zendure (je suis sous Android) pour les réglages. J'ai basculé en triphasé sous l'app et sélectionné mes deux circuits.
Nouveau problème qui se situe au niveau du Shelly je pense
Pince C sur l'arrivée EDF = ok (jes W sont affichés)
Pince A sur sortie relais Routeur Ard Tek = ko (rien ne s'affiche)
Pince B sur n'importe quel circuit = ko (rien ne s'affiche)

J'ai beau déplacé les deux dernières pinces sur des phases qui devraient affichées quelque chose mais elles restent toujours à 0W.
Y a-t-il quelque chose à configurer sur le shelly directement ? Exemple: mon "Device Profile" est sur Triphase

Connexion ou Créer un compte pour participer à la conversation.

Plus d'informations
06 Jui 2025 09:09 - 06 Jui 2025 09:10 #32 par syl2222fr
Tu as bien fait le pontage d'arrivée électrique sur le shelly ?

bdc.shelly.cloud/__attachments/119636304...c7-8ec7-74efb30a8c44

Les bornes A, b et c doivent être allimentées
Dernière édition: 06 Jui 2025 09:10 par syl2222fr.

Connexion ou Créer un compte pour participer à la conversation.

Plus d'informations
06 Jui 2025 09:19 #33 par power17
Oui effectivement, j’ai pas précisé que les trois pinces doivent être alimentés et faire des pontage entre les différentes connexions car les pinces ne seront pas alimentés et nous pourront pas donner de donnees .
Concernant les connexions via le Cloud ou connexion locale, ça change régulièrement automatiquement donc je pense pas que ça pose problème, je transmets une photo de mon Shelly avec les trois phase utilisé d’où je répète. Le A c’est ENEDIS le B c’est mon photovoltaïque. Juste pour info et le C c’est les trois phases de mon routeur et comme on peut voir positionner en négatif.
Pièces jointes :

Connexion ou Créer un compte pour participer à la conversation.

Plus d'informations
06 Jui 2025 12:08 #34 par fugazy
Effectivement, j'étais en mode gros boulet. Si j'alimente pas les autres pinces, ça va pas marcher.
Finalement, j'ai juste alimenté la 2ème pince nécessaire à la mesure de la sortie routeur et tout fonctionne bien niveau relevé.
Côté Hyper2000 & routeur ArdTek tout est nickel conformément à ce que disait Power17.
Ma batterie charge quand les panneaux connectés direct sur la Hyper produisent et si j'ai un excédant sur le toit non utilisé par le routeur, elle charge également.
Si mon routeur ARdTek route sur le ballon, je constate que la batterie n'est pas en train de se décharger... ce qui est plutôt bien.

Je vais continuer à surveiller tout ça mais c'est plutôt bien.
Merci pour l'aide en tout cas.

Connexion ou Créer un compte pour participer à la conversation.

Plus d'informations
06 Jui 2025 13:02 #35 par power17
Pas de soucis MOI, de mon côté j’ai trouvé la solution, il y a très peu de temps sur YouTube avec grande surprise

Connexion ou Créer un compte pour participer à la conversation.

Plus d'informations
17 Juil 2025 09:43 #36 par syl2222fr
Salut,

Petit retour après un mois d'utilisation.

(Valable uniquement pour la période d'été)

Sur l'appli zendure , j'ai tout désactivé ;)
Je suis en tarif tempo (Heures creuses de 22h à 6h)
Je suis en zero import enedis (suffisamment de prod solaire) à partir de 8h du matin
J'ai qu'une seule batterie (2.88Kw)

Sur Home assistant :
Rajout de l'integration zendure
Automatisations:
A 22h (heures creuses) : Mise en veille de zendure (pas de charge ni décharge)
A 4h du matin: Si la température du chauffe-eau est <33° en été , 38° en hiver , marche forcée sur le routeur (1h si prod solaire prévue >8Kw , 2h si prod solaire prévue <8Kw)
A 5h du matin: Si la prod solaire du jour prévu est < 8Kw , charge de la batterie à fond . Si la prod solaire du jour est > 8kw , charge de la batterie a 50%
A 6h du matin (Heures pleines) : Batterie en mode automatique . Elle se décharge de 6h à environs 8h
A partir de 8h jusqu’à ...(ca dépend si les clims sont allumées ou pas ) 10 à 12h : La batterie se recharge avec le surplus.
Ensuite, quand la batterie est pleine, c'est le routeur qui prends la suite.
Quand le ballon dépasse 50°c , et si j'ai suffisamment de prod solaire, le jacuzzi passe en chauffe
Vers 15h , plus assez de prod solaire pour chauffer le jacuzzi , il passe en stop => Le routeur route vers le ballon
vers 16h30/17h , plus de routage, la batterie commence à se décharger

Et , en résumé : Si il fait chaud et que toutes mes clims sont allumées , je consomme Enedis Heures pleines de 19h à 22h . Si les clims sont pas allumées, j'ai 0 consommation enedis en HP :)

Je pense que pour l'intersaison, j'aurais pas grand chose à faire (plus de jacuzzi et moins de clim)
Et, pour l'hiver, quoi que je fasse, j'aurais jamais assez d'ensoleillement (donc, charge à 100% la nuit)

Bon ... une batterie, c'est un peu juste ..il faudrait que j'en rajoute une seconde, mais, avant, il faudrait que je rajoute des panneaux (le cercle vicieux)

Connexion ou Créer un compte pour participer à la conversation.

Plus d'informations
27 Juil 2025 14:03 #37 par joujou84
Bonjour,

Je me joins à votre conversation je suis interressé par l'acquisition d'une batterie zendure 2400AC.
A la lecture de vos commentaires le positionnement des pinces amperemetrique pose souci, car je souhaite conserver en priorité le routage vers le ballon d'eau chaude puis la charge de la batterie.
Au risque de me tromper vous avez installé un pince à l'arrivée de ENEDIS et une autre sur le cable alim du ballon.
Vous preferez le shelly pro plutot que le Compteur intelligent 3CT Zendure, c'est juste une question de préférence ou de commodité pour vous.
Je précise, je suis novice en électricité.
Dernière question, avez vous connecter la batterie sur une prise dédié plus puissante et proteger par un disjoncteur.
Merci de vos réponses

Connexion ou Créer un compte pour participer à la conversation.

Plus d'informations
28 Juil 2025 07:06 #38 par syl2222fr
Salut

Au risque de me tromper vous avez installé un pince à l'arrivée de ENEDIS et une autre sur le cable alim du ballon.

Oui, et les 2 branchées sur le même shelly

Vous preferez le shelly pro plutot que le Compteur intelligent 3CT Zendure, c'est juste une question de préférence ou de commodité pour vous.


C'est juste que le shelly etait en cadeau lors de l'achat de la batterie ;)

Dernière question, avez vous connecter la batterie sur une prise dédié plus puissante et proteger par un disjoncteur.


Oui et Non, la batterie est directement branchée dans le tableau électrique, sur un disjoncteur 16A dédié . J'ai pas mis de prise
Les utilisateur(s) suivant ont remercié: joujou84

Connexion ou Créer un compte pour participer à la conversation.

Plus d'informations
06 Aoû 2025 08:58 - 06 Aoû 2025 09:01 #39 par stv84
Salut
Mon petit REX suite à la mise en place du solarflow 2400AC chez moi (2 batteries):
Hormis la configuration entre le Shelly et le solarflow (mode compteur intelligent), j ai rien fait. Résultat : tout cohabite correctement. Le msunpv est naturellement prioritaire lors du début de production solaire le matin, et le SolarFlow prends la suite quand le chauffe eau est plein, ou qu il y a assez de production solaire pour les 2.
Pas de décharge de la batterie vers le chauffe eau la nuit puisque aucun surplus solaire n est détecté au traversde la pince du msunpv...
Ma configue: 9kwhc sur onduleur centrale Huawei, sud de la France...
Précision : Batterie câblée en direct sous un disjoncteur, charge/décharge à 2400w > la décharge à 2400w passe sous les 2000w après 45 minutes en raison de la chauffe du système > système de refroidissement en cours de mise en service pour corriger ce petit problème...
Dernière édition: 06 Aoû 2025 09:01 par stv84.
Les utilisateur(s) suivant ont remercié: Jeremy40, Maat

Connexion ou Créer un compte pour participer à la conversation.

Plus d'informations
06 Aoû 2025 09:27 #40 par syl2222fr

Précision : Batterie câblée en direct sous un disjoncteur, charge/décharge à 2400w > la décharge à 2400w passe sous les 2000w après 45 minutes en raison de la chauffe du système > système de refroidissement en cours de mise en service pour corriger ce petit problème...


Quand je vois le prix du kit de ventilateurs chez zendure, je me dit qu'il y a plus simple et surtout, beaucoup moins cher

Ex: www.amazon.fr/ELZO-Ventilateur-ventilate...nique/dp/B0CXX7WT3M/

Pour ma part, j'ai récup 2 vieux ventilo de pc, posés sur le solarflow . Je croise les doigts : Aucun soucis pour l'instant

Connexion ou Créer un compte pour participer à la conversation.

Plus d'informations
06 Aoû 2025 11:40 #41 par stv84
Effectivement, je vais utiliser 2 ventilateurs de 140mm avec montage maison...

Connexion ou Créer un compte pour participer à la conversation.

Plus d'informations
07 Aoû 2025 17:58 #42 par stv84
Et voilà, 2 ventilos de 140mm 12V mis en parallèle...
C est provisoire le temps de fabriquer un châssis. C est efficace, plus de chute de puissance à la décharge...
Se déclenche automatiquement lorsque système trop chaud...
Pièces jointes :

Connexion ou Créer un compte pour participer à la conversation.

Plus d'informations
07 Aoû 2025 19:28 #43 par Jeremy40
Merci beaucoup pour ton REX. Tu pourrais nous dire comment tu as placé les pinces du Shelly par rapport au MSunPV, pour avoir cette cohabitation ??
Merci d'avance.

Connexion ou Créer un compte pour participer à la conversation.

Plus d'informations
08 Aoû 2025 04:38 - 08 Aoû 2025 04:42 #44 par stv84
Salut
La pince du Shelly est positionnée au même endroit que celle de mon onduleur, ainsi que celle du msunpv : sur le fil d arrivée EDF de mon tableau électrique. L ordre de positionnement des pinces n à pas d importance: la mesure du courant sur un fil est la même en tout point de ce fil...
Le but étant, aussi bien pour le Shelly (donc pour la batterie solarflow 2400AC) que pour le msunpv, de mesurer l excédant issue du solaire...
Concernant les 2 autres pinces du Shelly, pour l instant, elle ne sont pas installées car un bug sur l application met le bordel sur la mesure (en l état actuel de la version du logiciel, le solarflow récupère la somme des courants des 3 phases ce qui fausse la mesure).
Dernière édition: 08 Aoû 2025 04:42 par stv84.

Connexion ou Créer un compte pour participer à la conversation.

Plus d'informations
08 Aoû 2025 09:20 #45 par syl2222fr
Je vois que tu t'est connecté en direct sur la sortie ventilateur du solarflow
Ça m’intéresse fortement ! Actuellement , j’alimente mes ventilo avec un transfo 220/12 séparé

Tu as trouvé sur le net un connecteur compatible ? Ou tu as bricolé le fil rouge dans le trou rouge ?

Connexion ou Créer un compte pour participer à la conversation.

Propulsé par Kunena